logo2
导航菜单
logo1

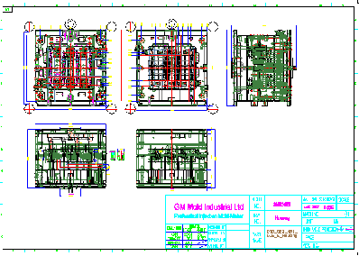
         The design engineers at GM Mold have over 20 years of experience not only designing molds but building them as well. This background gives our in-house team the ability to find creative solutions to even the most challenging design manufacturing problems.
         Our experienced designers are equipped with state-of-the-art software including Solid Works. They assess the part design and make modifications and recommendations based on key product requirements including product usage and function
DESIGN SERVICES
全屏背景

Connact Us

Any Enquiry Please Send Us

kevin@gmmolds.com

Cell :     +86 137 2457 1151
Phone : +86 769 8166 5030


Your name:
Contact number:
Address:
Email:
 

Message

Address 
No.16,  Yingchen Road, Xiabian,  Chang'an Town,  Dongguan City, China.
All rights reserved: GM Mold Industial Limited

粤ICP备17059296号-1